| 产品别名 | 机械手臂 |
|---|---|
| 产品用途 | 注塑辅机 |
| 电动机功率 | 33(KW) |
| 外形尺寸 | 443(mm) |
| 重量 | 299(kg) |
| 类别 | 机械手 |
| 售后服务 | 整机一年保修 |
| 品牌 | 杉本 |
| 型号 | L450RT |




手臂采用高强度铝合金结构梁配合精密线性滑轨,低噪音、寿命长。
引拔部分采用可调手柄,无需工具即可轻松调整。
选购R:左右旋出入60-90度。
T:夹具爪旋180度
基本参数| 电源 | 电源容量 | 工作气压 | **大容许气压 | 驱动方式 | 控制系统 |
| AC220v±10v 50/60HZ | 0.2 | 5kgf/cm2 0.49Mpa | 8kgf/cm2 0.8Mpa | 气动 Pneumatic cylinder | SXCX-X1 |
综合参数
| 机型 | SL350RT | SL450RT | SL550RT | SL650RT |
| 适用成型机(Ton) | 20-30 | 30-60 | 50-100 | 80-150 |
| 侧入行程(mm) | 350 | 450 | 550 | 650 |
| 上下行程(mm) | 125 | 125 | 125 | 125 |
| 旋出角度(度) | 选购R:旋转60-90度,无记号不旋转 | |||
| 夹具旋转角度(度) | 选购T:爪旋180度,无记号不旋转 | |||
| **大荷重(kg) | 1 | |||
| 取出时间(sec) | 0.6 | 0.7 | 0.8 | 0.9 |
| 全循环时间(sec) | 3.8 | 4 | 4.2 | 4.4 |
| 空气消耗量(NI/cycle) | 4 | 4.5 | 4.8 | 5.2 |
| 净重(kg) | 20 | 22 | 24 | 26 |
| ||||
| ||||
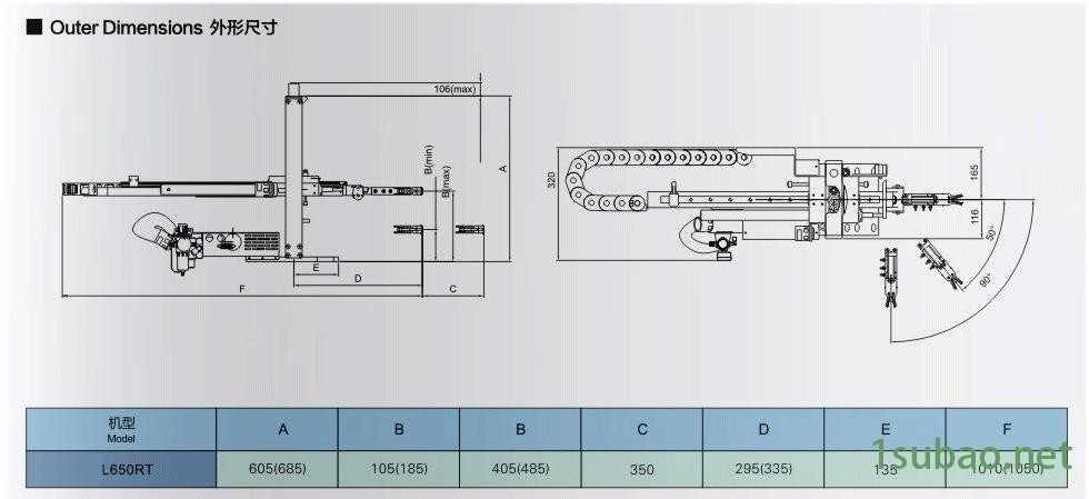
外型尺寸
| 机型 | A | B(min) | B(max) | C | D | E | F |
| SL350(R)[T] | 605(685) | 105(185) | 405(485) | 350 | 295[335] | 135 | 1010[1050] |
| SL450(R)[T] | 450 | 1110[1150] | |||||
| SL550(R)[T] | 550 | 1130[1170] | |||||
| SL650(R)[T] | 560 | 1130[1270] |
操作器
SXCX-L1操作器
中/英文切换
8组内建程式
12组教导模式
50组模具记忆
可指示操作时间为0.01秒的细微动作
预留接点可连接输送带、承接台等外围设备
选购CE规格(EUROMAP&SPI)
//www.jiqiren-cn.com/zsjjxs/ 注塑机械手
//www.jiqiren-cn.com/gyjxs/ 通用型机器人
//www.jiqiren-cn.com/ccjxss/ 数控车床机械手
//www.jiqiren-cn.com/ccjxs/ 冲床机械手

